

|
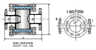
公稱直徑 Dg |
PN≤10MPa |
圖號 |
PN≤25MPa |
圖號 |
||||||
|
外形尺寸 |
玻璃板 |
外形尺寸 |
玻璃板 |
|||||||
|
H |
L |
直徑 |
厚度 |
H |
L |
直徑 |
厚度 |
|||
|
25 × 32 |
260 |
226 |
95 |
15 |
HGS07-105-01-1-7 |
260 |
234 |
95 |
15 |
HGS07-106-01-1-7 |
|
40 × 50 |
320 |
226 |
140 |
20 |
HGS07-105-02-1-7 |
320 |
278 |
140 |
20 |
HGS07-106-02-1-7 |
|
50 × 65 |
320 |
266 |
140 |
20 |
HGS07-105-03-1-7 |
320 |
278 |
140 |
20 |
HGS07-106-03-1-7 |
|
65 × 80 |
360 |
300 |
165 |
20 |
HGS07-105-04-1-7 |
360 |
308 |
165 |
20 |
HGS07-106-04-1-7 |
|
80 × 100 |
360 |
300 |
165 |
20 |
HGS07-105-05-1-7 |
360 |
308 |
165 |
20 |
HGS07-106-05-1-7 |
維修與保養:
a. 視鏡玻璃屬宜損件,安裝視鏡時要小心輕放。
b. 視鏡是用于觀察液體、氣體、蒸汽等介質的流動反應設備,其視窗玻璃應保持干凈無灰塵。
c. 玻璃耐溫耐壓有一定的局限,耐溫:鋼化硼硅玻璃:≤180℃,石英玻璃:800℃.耐壓:鋼化硼硅玻璃片:≤3.0MPa,
石英玻璃片:≤10.0MPa,鋼化硼硅玻璃筒:<1.0MPa,石英玻璃筒:<1.6MPa。玻璃允許急變溫度<60℃~<100℃
d. 如發現有裂紋和破損等現象,必須馬上更換。